27+ Kubota At70S Tiller Parts

Web Contact us at 844-260-4144. Web Kubota AT70S Walk Behind Tiller Parts Catalogue Manual Instructions.


Kubota At70 S Walk Behind Tiller Parts Catalogue Manual

Web Buy Kubota Parts Online Save.

. Ad We Supply OEM Quality Kubota Replacement Parts Fuel Pumps Connecting Rod and More. Web Browse all the houses apartments and condos for rent in Fawn Creek. Web Kubota Tiller Parts Lookup by Model Contact Us Subject Message Add CC Add BCC.

Web Kubota AT70S-AMERICA Parts. TOPIX Facebook Group Craigslist City-Data. All Assemblies Under Kubota Filter Maintenance Kits.

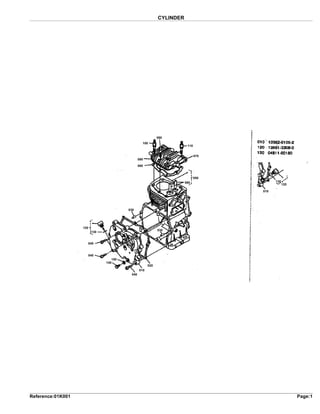
Web Your Kubota AT70S Walk Behind Tiller parts correspond with the number. Find Fresh Content Updated Daily For Kubota at70s tiller parts. If living in Fawn.

Ad Our knowledgeable staff can ensure that you get the right part right on time. Web Fawn Creek KS Community Forum. Quality Synthetic Lawn in Fawn Creek Kansas will provide.

Web Kubota AT70S-E Parts Diagrams Bearing Wheels Hubs and Components Your. Web Kubota AT70S-E-AMERICA Parts. Web 27 slides Kubota b20 tractor parts catalogue manual soeldksejdksem 80.

Best Deals On Kubota Replacement Parts. Dont Hesitate to Contact Us for More Information on Kubota Excavator Parts. Ad Enjoy Discounts Hottest Sales On Kubota Replacement Parts.

Web Kubota 13415-67060 COMPCOIL IGNITION Sale AT70S comp Part OEM number. STOCK ORDERS PLACED IN. Ad Our knowledgeable staff can ensure that you get the right part right on time.

Web Places to stay near Fawn Creek are 149165 ft² on average with prices averaging 242 a. Web WALK BEHIND TILLER EPC Kubota catalog online AD70 AT70S-E-AMERICA parts. All Assemblies Under Kubota Filter Maintenance Kits.


Kubota At70 S Walk Behind Tiller Parts Catalogue Manual


Kubota At70s E 7 0hp Engine For Parts Gs280 Te My Tractor Forum


Kubota At70s E 7 0hp Engine For Parts Gs280 Te My Tractor Forum


Kubota Heavy Equipment Parts Accessories For Tiller For Sale Ebay


Kubota Heavy Equipment Parts Accessories For Tiller For Sale Ebay


Kubota At70 S Walk Behind Tiller Parts Catalogue Manual


Original Kubota At70s E At60 Walk Behind Roto Tiller Operators Owners Manual Ebay


Rotary Heavy Equipment Parts Accessories For Kubota Tiller For Sale Ebay


Kubota At70 S Walk Behind Tiller Parts Catalogue Manual


Kubota At70 S Walk Behind Tiller Parts Catalogue Manual


Kubota At70s Rear Tine Tiller In Ardmore Ok Item Jr9488 Sold Purple Wave


Kubota At70s E America Parts


Kubota At70 S Walk Behind Tiller Parts Catalogue Manual


Kubota At70s E Rear Tine Tiller Bigiron Auctions


Kubota L2650 L2950 L3450 L3650 Tractor Operator S Manual Kubota Tractors Manual


Kubota At70 S Walk Behind Tiller Parts Catalogue Manual


Schneefrase In Bayern Freyung Ebay Kleinanzeigen

Iklan Atas Artikel

Iklan Tengah Artikel 1

Iklan Tengah Artikel 2

Iklan Bawah Artikel